咨詢熱線
021-56037469
021-56381771
021-56318899
021-56325777參數范圍 |
流量:0.86~6(m3/h) |
揚程: 20~140(m) |
溫度:-45℃~450℃ |
壓力:≤1.6(Mpa) |
泵軸:不銹鋼 |
泵體、端蓋、葉輪:不銹鋼 |
機械密封:石墨,碳化鎢/硅,硬質合金 |
產品概述:
材料名稱 | ZG1Cr18Ni9 | ZG1Cr18Ni9Ti | ZG0Cr18Ni12Mo2Ti |
代號 | 303 | 305 | 306 |
材料名稱 | ZG1Cr18Ni12Mo2Ti | ZG1Cr18Mn13Mo2CuN | |
代號 | 307 | 402 |
PTGX型小流量化工泵為單級單吸懸臂式離心泵,主要用于石油、化工、合成纖維、化肥、電站、冶金、食品及醫藥等工業部門輸送清潔的液體、低溫或高溫的液體、中性或有腐蝕性的液體,輸送介質的溫度一般為-45℃~450℃。
型號意義:
例:PTGX 3 - 100
100-設計點揚程(m)
3-設計點流量(m3/h)
PTGX-小流量化工流程泵
產品特點:
1,泵為單級、臥式、蝸殼泵。泵體為中心支撐,單吸葉輪。軸向吸入,徑向排出。
2,泵蓋具有冷卻或加熱管接頭。軸封采用填料密封,也可以采用單端面或雙端面機械密封。配有冷卻、沖洗或密封液系統。
3,標準管路按API規范設計,可對中心支撐的泵支座進行冷卻。
4,吸入及排出管法蘭的額定壓力等級相同。
5,軸承用潔凈的22號機械油潤滑。
6,油潤滑軸承自動控制油位。
7,泵的旋轉方向:從原動機端看,為順時針旋轉。
性能參數表:
泵型號 | 流量(m3/h) | 揚程(m) | 功率(kw) |
GX1-60 | 1 | 60 | 5.5-2P |
GX1-60A | 0.93 | 52 | 4.0-2P |
GX1-60B | 0.86 | 45 | 3.0-2P |
GX1-100 | 1 | 100 | 11-2P |
GX1-100A | 0.95 | 90 | 7.5-2P |
GX1-100B | 0.89 | 80 | 7.5-2P |
GX3-30 | 3 | 30 | 2.2-2P |
GX3-30A | 2.75 | 25 | 2.2-2P |
GX3-30B | 2.5 | 20 | 1.5-2P |
GX3-60 | 3 | 60 | 5.5-2P |
GX3-60A | 2.8 | 52 | 5.5-2P |
GX3-60B | 2.6 | 45 | 4.0-2P |
GX3-100 | 3 | 100 | 15-2P |
GX3-100A | 2.8 | 90 | 11-2P |
GX3-100B | 2.6 | 80 | 11-2P |
GX6-30 | 6 | 30 | 3.0-2P |
GX6-30A | 5.4 | 25 | 2.2-2P |
GX6-30B | 4.8 | 20 | 2.2-2P |
GX6-60 | 6 | 60 | 7.5-2P |
GX6-60A | 5.6 | 52 | 5.5-2P |
GX6-60B | 5.2 | 45 | 5.5-2P |
GX6-100 | 6 | 100 | 15-2P |
GX6-100A | 5.7 | 90 | 11-2P |
GX6-100B | 5.4 | 80 | 11-2P |
GX6-140 | 6 | 140 | 22-2P |
GX6-140A | 5.69 | 126 | 18.5-2P |
GX6-140B | 5.37 | 112 | 15-2P |
備注:性能參數表均只做參考,如需產品相關安裝圖等詳細參數說明書請致電:021-56386999。
泵拆卸:
1,拆下泵上管路輔助系統。
2,拆下泵體上的放液管堵和軸承支架上的放油管堵,放凈泵內液體和軸承支架的潤滑油。
3,拆開泵體與泵蓋聯接螺栓,將泵蓋與軸承支架部件等全部轉子部件從泵體中一 起取出。
4,拆下葉輪螺釘,取下葉輪和鍵。
5,將泵蓋連同軸套,密封蓋和機械密封等部件一起從軸上退出。注意勿使軸套相對于泵蓋等發生滑動,然后再拆下密封蓋,將機械密封連同軸套一起取下,再將軸套和機械密封拆開。如果密封采取填料則可從泵蓋中直接拆下軸套,再順次拆下填料壓 蓋,填料和填料環等。如果密封采用特殊結構,應注意不同的拆卸方法。
6,拆下泵聯軸器和鍵。
7,拆下軸承支架兩端的前,后折流盤和軸承的前、后軸承蓋,再把軸連同軸承一起從軸承支架中取出。
8,從泵軸上拆下軸承
泵裝配:
泵的裝配順序基本上可按照拆卸順序的反方向進行,但是裝配時要注意檢查各密封面墊片是否完好,并注意切勿漏裝墊片和更換不完好的墊片。
泵安裝:
1,開箱后檢查泵和電機,如果證實沒有任何因裝、卸和運輸過程中造成損壞和緊固連接件松動。泵的進出口端。
2,必須保證泵再工作時不超過其允許汽蝕余量。泵的吸上高度(或倒灌高度)必須根據泵的汽蝕余量特性,管路阻力損失特性及高溫水的吸入液面壓力來確定。泵吸上使用情況下,應在吸入管路上裝上底閥,并在出口管路上設置灌液螺孔及閥門,以供起動前灌泵之用。泵倒灌使用情況下,應在吸入管路上裝上閥門和過濾器,以免雜物進入。
3,吸入和吐出管路應該另有支架,不能用泵作支架。
4,安裝蹦的低點,應便于巡回檢查和檢修。對新安裝的吸入和吐處管路,應將其中雜物清理干凈后方可與泵聯接形成循環管路。
5,安裝順序:
①將機組放在埋有地腳螺栓的基礎上,在底座和基礎之間放置成對的器墊作找正之用。
②松開聯軸器。用水平儀放在泵軸或泵聯軸器的外圓上,通過調整器墊,找正機組的水平后,適當擰緊地腳螺栓,以防走動。
③用混凝土灌注底座和地腳螺栓孔。
④等混凝土干固以后,應擰緊地腳螺栓,并重新檢查泵軸的水平度。
⑤在接好管路及確定原動機轉動方向以后,接上聯軸器,再核對一邊軸的同心度,測量聯軸器的外圓上下,左右的差異不得超過0.1mm,兩聯軸器端面間隙,在一周內最大和最下的間隙差不得超過0.3mm
⑥再確認冷卻和機封沖洗液供應正常情況下,機組才可運行,在機組實際運行3~4小時后作最后檢查,如無不良現象,則認為安裝合格。
結構圖:

| 序號 | 名稱 | 序號 | 名稱 | 序號 | 名稱 | 序號 | 名稱 |
| 1 | 泵支架 | 9 | 密封墊 | 17 | 前折流量 | 25 | 軸 |
| 2 | 泵體密封環 | 10 | 泵蓋 | 18 | 前軸承壓蓋 | 26 | 軸承 |
| 3 | 葉輪螺釘 | 11 | O型圈 | 19 | 軸承 | 27 | 軸承螺母 |
| 4 | 葉輪墊圈 | 12 | O型圈 | 20 | 擋圈 | 28 | 后軸承壓蓋 |
| 5 | 泵體 | 13 | O型圈 | 21 | 油孔蓋 | 29 | 后折流盤 |
| 6 | 葉輪 | 14 | 機械密封 | 22 | 油視鏡 | 30 | 支腳 |
| 7 | 鍵 | 15 | 密封壓蓋 | 23 | 恒位油環 | 31 | 鍵 |
| 8 | 密封墊 | 16 | 軸套 | 24 | 甩油環 | 32 | 軸承支架 |
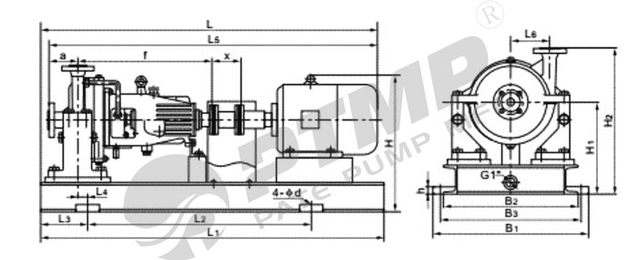
安裝尺寸圖:

安裝尺寸表:
| 泵型號 | L3 | L4 | a | f | x | 4-Φd |
| GX1-60 | 200 | 70 | 100 | 475 | 100 | 4-Φ19 |
| GX1-100 | 220 | 90 | 100 | 475 | 100 | 4-Φ19 |
| GX3-30 | 190 | 70 | 90 | 475 | 100 | 4-Φ19 |
| GX3-60 | 200 | 70 | 100 | 475 | 100 | 4-Φ19 |
| GX3-100 | 220 | 90 | 100 | 475 | 100 | 4-Φ19 |
| GX6-30 | 190 | 70 | 90 | 475 | 100 | 4-Φ19 |
| GX6-60 | 200 | 70 | 100 | 475 | 100 | 4-Φ19 |
| GX6-100 | 220 | 90 | 100 | 475 | 100 | 4-Φ19 |
| 6-140 | 230 | 90 | 110 | 538 | 140 | 4-Φ19 |







